1
/
of
3
ProFlow
Proflow Starter Motor Power Torque Mini Black For Chevrolet V8 2.0kW 153/168T
Proflow Starter Motor Power Torque Mini Black For Chevrolet V8 2.0kW 153/168T
Regular price
$266.28
Regular price
Sale price
$266.28
Unit price
/
per
Shipping calculated at checkout.
Couldn't load pickup availability
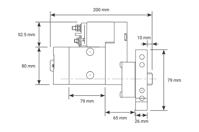
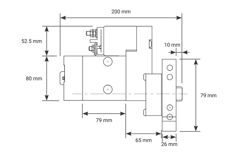
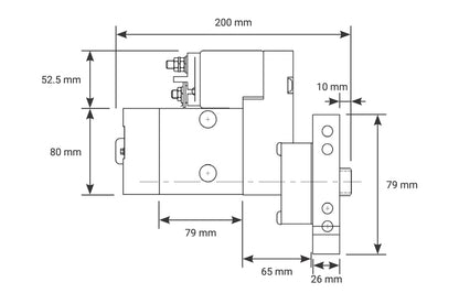
Part Number : PFEPM9004
Proflow's Powertorque Mini starters provide extra powerful motors that crank out up to 200 ft-lbs (270 Nm) of torque. Coupled with their 4.4:1 gear reduction ratio, they provide enough torque to start engines with a whopping 18:1 compression ratio! These starters come with a multi-hole clockable billet adaptor/mounting block for durability and are compact enough to clear most modified oil pans.
Share
